产品详情
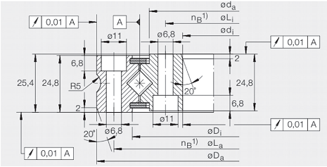
XSU型交叉滚子轴承(内、外环一体型)已进行了安装孔的加工,所以不需要固定法兰和支撑座。另外,由于采用带座的的一体化内外环结构,安装对性能几乎没有影响,因此能够获得稳定的旋转精度和扭矩。能用于外环和内环旋转。
结构特点:交叉滚子轴承,是圆柱滚子在呈90度的V形沟槽滚动面上通过隔离块被相互垂直地排列,所以交叉滚子轴承可承受径向负荷、轴向负荷及力矩负荷等多方向的负荷。内外圈的尺寸被小型化,极薄形式更是接近于极限的小型尺寸,并且具有高钢性,且精度可达到P5、P4、P2级。
应用领域:因此适合于工业机器人的关节部和旋转部、机械加工中心的旋转台,精密旋转工作台、医疗机器、计算器、军工、IC制造装置等设备。

轴承型号Bearing type | 轴径 shaft diameter | 主要尺寸 Main dimensions | 基本的额定负荷(轴向) Basic load rating(axial) | 基本的额定负荷(径向) Basic load rating (radial) | 极限转速Limiting speed | 重量weight | |||||
内径inner ring | 外径outer ring | 宽度width | 安装孔 | Ca | C0a | Cr | Cor | ||||
d | D | B | na | kN | kN | kN | kN | r/min | Kg | ||
XSU080168 | 130 | 130 | 205 | 25.4 | 12 | 66 | 1900/8/27 | 42 | 96 | 227 | 3.3 |
XSU080188 | 150 | 150 | 225 | 25.4 | 16 | 71 | 1900/10/1 | 46 | 110 | 203 | 3.7 |
XSU080218 | 180 | 180 | 225 | 25.4 | 20 | 77 | 1900/11/10 | 49 | 127 | 175 | 4.3 |
XSU080258 | 220 | 220 | 295 | 25.4 | 24 | 84 | 1901/1/9 | 54 | 151 | 148 | 5.1 |
XSU080318 | 280 | 280 | 355 | 25.4 | 28 | 93 | 1901/4/9 | 59 | 185 | 120 | 6.3 |
XSU080398 | 360 | 360 | 435 | 25.4 | 36 | 106 | 1901/8/12 | 68 | 236 | 96 | 7.8 |

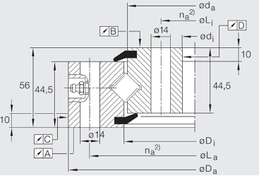
轴承型号Bearing type | 轴径 shaft diameter | 主要尺寸 Main dimensions | 基本的额定负荷(轴向) Basic load rating(axial) | 基本的额定负荷(径向) Basic load rating (radial) | 极限转速Limiting speed | 重量weight | |||||
内径inner ring | 外径outer ring | 宽度width | 安装孔 | Ca | C0a | Cr | Cor | ||||
d | D | B | na | kN | kN | kN | kN | r/min | Kg | ||
XSU140414 | 344 | 344 | 484 | 56 | 24 | 2 | 229 | 1901/6/3 | 146 | 250 | 28 |
XSU140544 | 474 | 474 | 614 | 56 | 32 | 2.5 | 270 | 1901/11/10 | 170 | 330 | 38 |
XSU140644 | 574 | 574 | 714 | 56 | 36 | 2.5 | 290 | 1902/3/10 | 185 | 395 | 44 |
XSU140744 | 674 | 674 | 814 | 56 | 40 | 3 | 315 | 1902/7/18 | 200 | 455 | 52 |
XSU140844 | 774 | 744 | 914 | 56 | 40 | 3 | 340 | 1902/11/15 | 215 | 510 | 60 |
XSU140944 | 874 | 874 | 1014 | 56 | 44 | 360 | 360 | 1903/3/15 | 227 | 580 | 67 |
- 上一篇:没有了
- 下一篇:XU系列交叉滚子轴承

豫公网安备 41030502000352号